Medición del nivel por radar
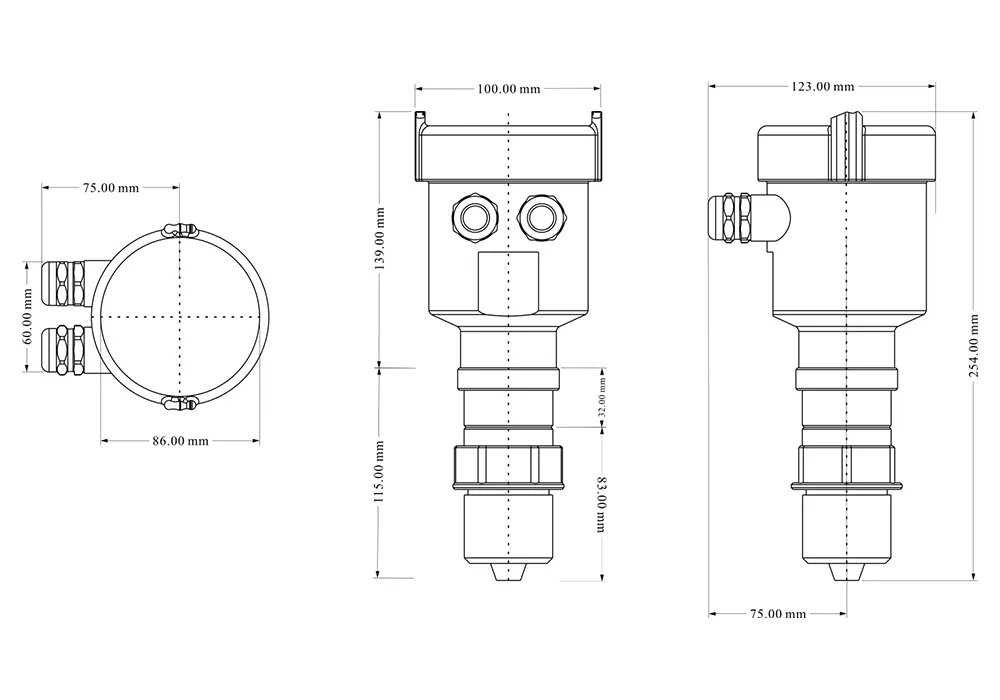
Transmisor de nivel de radar de onda guiada
Sensor de nivel para medición continua de nivel en líquidos y sólidos con radar de onda guiada (GWR)
Los transmisores de nivel radar de onda guiada utilizan tecnología TDR (Reflectometría en el Dominio del Tiempo) para la medición continua por contacto de líquidos y materiales sólidos. Pueden equiparse con sondas de cable, varilla o coaxiales, lo que les permite adaptarse a distintas condiciones de proceso, con bajo mantenimiento y alta fiabilidad.
Estos transmisores funcionan de forma estable incluso en entornos exigentes con condensación, espuma, acumulaciones, cristalización o vapor. Fabricados con tecnología de ondas milimétricas y guía de ondas optimizada para uso industrial, ofrecen alta precisión y rendimiento constante a largo plazo. Además, son adecuados para la medición de interfases de líquidos y para aplicaciones con vapor denso o señales de reflexión débiles.
Gracias a su avanzado procesamiento de señales, mantienen lecturas precisas incluso en aplicaciones complejas. La función de salida no lineal permite convertir las señales de radar en valores de volumen, peso o caudal, facilitando su integración en sistemas de control y automatización industrial.

















